HOME/Products/Horizontal Frame Torque Motor

Horizontal Frame Torque Motor
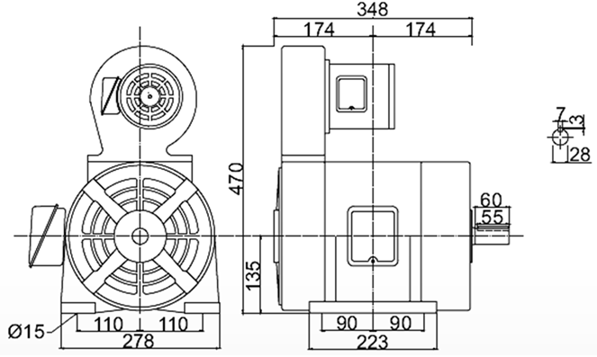
Frame 7
A horizontal frame torque motor is a type of torque motor designed with a horizontal mounting orientation, where the shaft runs parallel to the base or mounting surface. This frame type is common in industrial applications where space and alignment with other mechanical components (like rollers or spindles) matter.




